毎日14時までのご注文は当日発送!

【創業40周年】日本のトラック物流を支えていきます

0
0
¥0

現在カート内に商品はございません。

商品一覧を見る

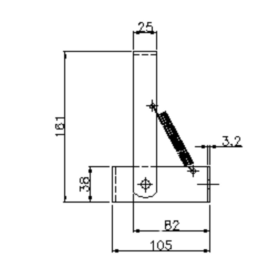
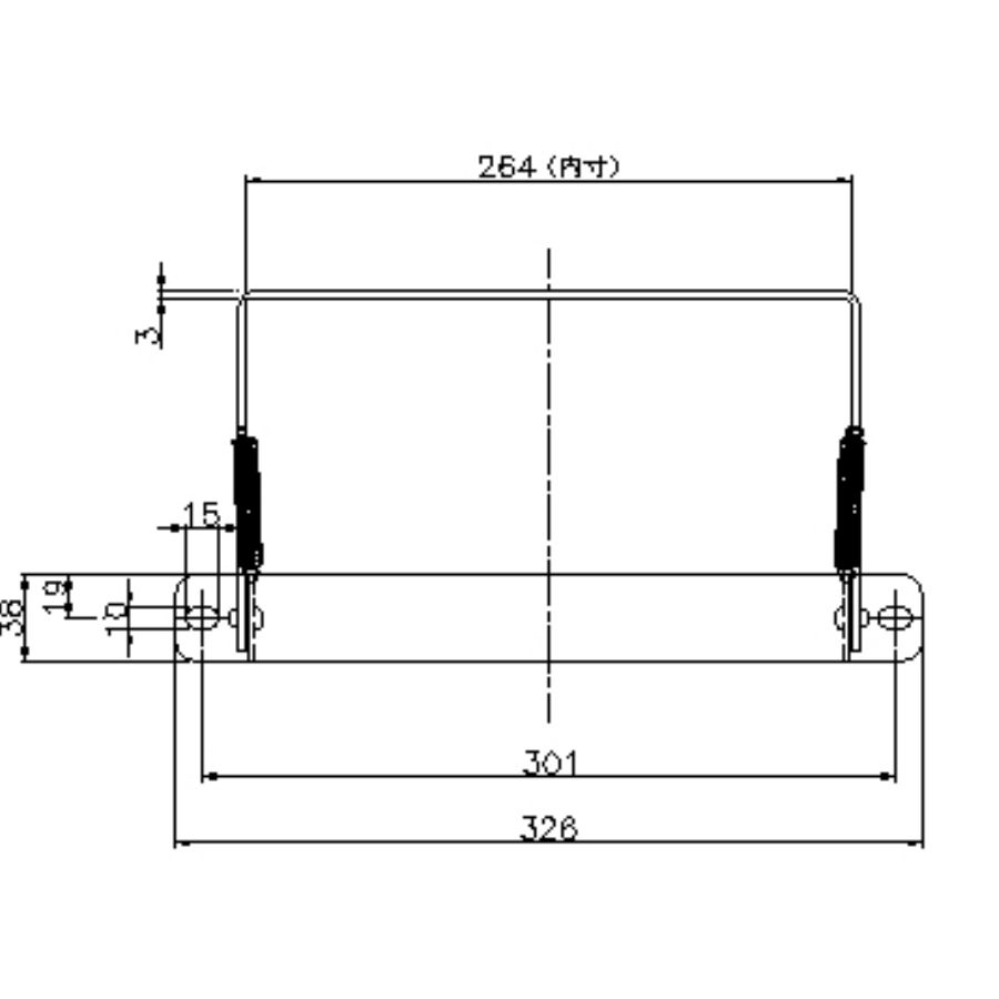
歯止めブラケット A型用 鉄製 日本ボデーパーツ工業 6964130

¥2,200 税込
発送日目安:1~3営業日
数量
カートに追加しました。
カートへ進む
6964130 歯止め ブラケット A型用 鉄製
仕様
ブラケット材質:SS400 カチオン塗装(黒)
スプリング材質:SUS304 WPB
商品コード: 2161010000034
絞り込みキーワード
商品カテゴリ
メーカー
価格帯
タグ
在庫
絞り込み条件

カテゴリ一覧

ショップ内検索

カテゴリ一覧

ページトップへ

メーカー: 日本ボデーパーツ工業