毎日14時までのご注文は当日発送!

【創業40周年】日本のトラック物流を支えていきます

0
0
¥0

現在カート内に商品はございません。

商品一覧を見る

歯止めブラケット取付プレート 鉄製 A型,B型,サングリップ用 日本ボデーパーツ工業 2753022

¥3,080 税込
発送日目安:注文取寄せ
数量
カートに追加しました。
カートへ進む
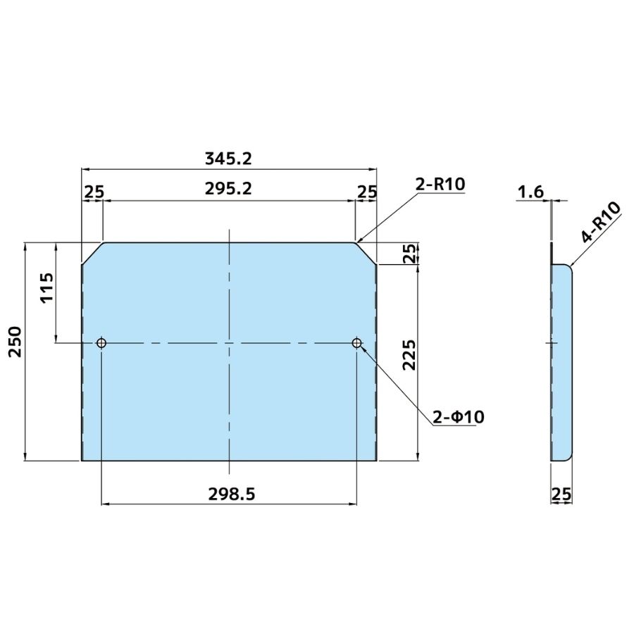
歯止めブラケット取付プレート
鉄製
A型、B型、サングリップ用
日本ボデーパーツ工業
2753022

材質:鉄製【SPHC-P/カチオン黒塗装】
寸法:250x345.2x25

日本ボデーパーツ工業製の歯止めBKTを取り付けることができるコの字型プレートです。

プレート本体に開いている穴を利用し、ボルト・ナット等で歯止めBKTを取り付けてください。

プレート本体を車両側へ取り付ける際は、溶接やボルト・ナット等で確実に固定してださい。
商品コード: 1600019410006
絞り込みキーワード
商品カテゴリ
メーカー
価格帯
タグ
在庫
絞り込み条件

カテゴリ一覧

ショップ内検索

カテゴリ一覧

ページトップへ

メーカー: 日本ボデーパーツ工業